A Project by Jacob Mcmanamy

Duration
24 days
Total cost
$300
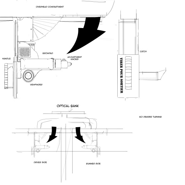
First illustration
March 31st, 2017
Second illustration
April 3rd, 2017
Third illustration
April 6th, 2017
Fourth illustration
April 9th, 2017
Fifth illustration
April 12th, 2017
Sixth illustration
April 15th, 2017
Seventh illustration
April 18th, 2017
Eighth illustration
April 21st, 2017